機器人變位機/工作站
您的位置:首頁 > 產品中心 > 機器人變位機/工作站 > 變位機2PF300/500/1000
機器人變位機/工作站
您的位置:首頁 > 產品中心 > 機器人變位機/工作站 > 變位機2PF300/500/1000
qmh球盟會工業機器人有限公司坐落于江蘇常州天寧區,專業從事焊接系統的開發與制造、焊接切割技術咨詢與服務的專業性高新技術企業。公司資力厚、技術先進,產品遠銷泰國、越南、菲律賓等東南亞國家和地區。
自有軟件專利通過知識體系貫標認證,高新技術企業自主研發團隊,可根據客戶需求非標定制。獲得各項專利30余項。
您可以第一時間了解到凱特的最新動態,與您分享行業的最熱資訊,時刻在為您服務。在焊接通用設備、焊接結構件、工裝夾具、焊接自動化設備及控制方面積累了豐富的實踐經驗。
秉持著“樹立一種優質形象:優質服務是生命,客服滿意是目的”的經營理念,實施差異化戰略,在細分市場發力,為客戶提供高品質的工業機器人和智能制造解決方案。凱特工業機器人一直傾心打造好的品質,竭力追求貼心的服務。
qmh球盟會工業機器人有限公司
qmh球盟會工業機器人有限公司坐落于江蘇常州天寧區,專業從事焊接系統的開發與制造、焊接切割技術咨詢與服務的 專業性高新技術企業。公司主要產品有OTC焊接機器人、OTC焊機,焊接機,工裝,夾具,檢具,非標自動化焊接設備、機器人應用系統等,
發布:2022-08-30 瀏覽:5970
微信掃碼咨詢
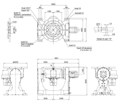
聯系我們從最小的25kg到最大的1000kg,中間一共6種機型;可通過機器人的示教盒進行操作,可與機器人同時進行示教工作;采用的是AC伺服馬達和無背隙減速機,因此可以得到和機器人同樣的高精度;與機器人配套使用時,可以實現協調動作。

| 型號 | A2PF300-ENN | A2PF500-ENN | A2PF1000-ENN |
| 最大搭載重量 | 300kg | 500kg | 1000kg |
| 最大旋轉速度 | 3.1rad/sec[180°/s] | 2.8rad/sec[162°/s] | 2.9rad/sec[72°/s] |
| 最大傾斜速度 | 2.2rad/sec[125°/s] | 1.5rad/sec[84°/s] | 1.4rad/sec[82°/s] |
| 容許最大扭矩 | 294N·m | 392N·m | 882N·m |
| 傾斜軸容許最大扭曲 | 882N·m | 1347N·m | 3704N·m |
| 位置重復精度 | ±0.08mm(在R250的位置) | ±0.08mm(在R250的位置) | ±0.08mm(在R250的位置) |
| 旋轉停止位置 | 任意位置 | 任意位置 | 任意位置 |
| 本 體 重 量 | 260kg | 260kg | 470kg |
掃一掃